A two-way lighting circuit is a circuit that uses two switches to operate a single or multiple light fittings.
In a typical UK home wiring situation, lighting circuits usually incorporate the lighting needs of all of the rooms and areas of a single floor, incorporating one-way, two-way and intermediate switching circuits as required. Generally these circuits are protected by a 6 amp miniature circuit breaker (MCB) and are wired using 1.5mm2 'twin and earth' cable. Previously this might have been a 5 amp MCB or fuse, and 1.0mm2cable. The overriding limitation of the circuit is the maximum wattage that can be supplied. Without taking into account any de-rating factors, the circuit can supply a theoretical maximum of 230 volts x 6 amps = 1380 watts. In general practice, lighting circuit wiring should be planned in such a way as to have a maximum load of 1000 watts. In this way there is a small margin left for third party addition or lamp changes which might affect overall load levels.
The circuit

We can see from the picture above that when the switch 1 is switched, electricity can flow from the live supply connection along one of the two 'strapper' wires to switch 2. If switch 2 is also switched to the strapper wire that is currently 'live', electricity can flow to the lamp and pass through the lamp filament to the neutral supply connection, causing the lamp to illuminate. Now when either switch is switched, the switch connects to the other strapper wire and the circuit is broken, causing the lamp to extinguish.
The idea is that either switch can cause the lamp to illuminate or extinguish, and this circuit is used in long hallways, stairs, and rooms with more than one entrance/exit. This of course is how the circuit would look if it was done as a bench exercise.
Wiring circuits
In practice, a lighting circuit would supply more than just two switches and one light fitting. We are merely looking at a single segment of a typical circuit. To achieve the same desired effect as the circuit drawing above, there are three basic ways in which a domestic lighting circuit could be wired using UK 'twin and earth' and 'three-core and earth' cable.
1. Loop-in at the light.
This is the most favoured method, as it keeps most of the permanently live 'mains feed' cabling in the ceiling void or loft space out of harm's way. A twin and earth cable is run from the consumer unit to the first light fitting. Another is run from the light fitting to the first switch. Another from the light fitting to the next light fitting, or light / switch combo. Finally, a three-core and earth cable is run from the first switch to the second switch. There are at least two variations of connecting up the first switch, which are shown below.

The method above employs a piece of 'choc block' or 'connector strip' at the first switch to join the wire connected to 'com' on the second switch to the switched live connection from the light fitting. The method below does away with the need for a piece of 'choc block' to join wires in the first switch, arguably at the cost of circuit clarity to the DIY enthusiast.

NOTE: Switching off the light at the switch DOES NOT isolate mains electricity from the light fitting or switches - always isolate mains power at the consumer unit before starting work.
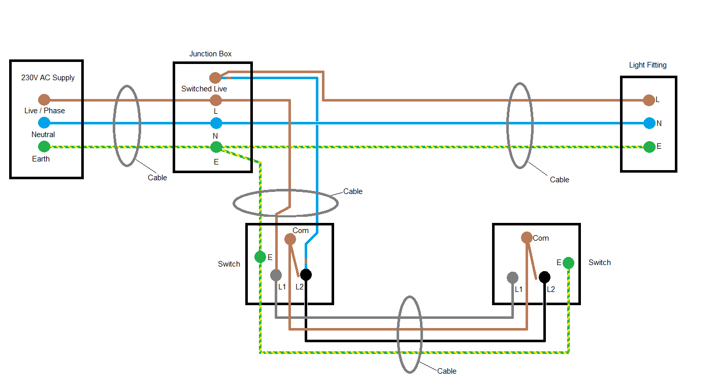
2. Junction Box.
This method of wiring lighting circuits is often used where open loft spaces allow easy access to the junction box. A 'mains feed' cable is run from the consumer unit to the junction box, which is usually placed centrally within the loft or floor area. A cable of the correct type is then run from each light fitting and from each switch back to the junction box. Alternatively, the switches of a two-way system can be wired using a twin and earth cable from the junction box to the first switch, then a three-core and earth from the first switch to the second switch. The junction box method uses more cable than the previous method, but allows for easy addition of further lights or switches. There are at least three variations of wiring or connecting up the circuit, which I show below.

Using the wiring method above, each switch cable is wired back to the junction box, and the strapper wires are joined in their own connectors.


Using the two wiring methods above, only the first switch is wired back to the junction box, using twin and earth cable. The second switch is wired to the first using three core and earth. Two methods of connecting the first switch are shown. Cable identification - especially at the junction box, is paramount using this method, as switches and light fittings could be easily confused or jumbled, causing unwanted faults or mis-operation.
NOTE: Always isolate mains power at the consumer unit before starting work.
3. Loop-in at the switch.
This is the least favoured method of wiring a lighting circuit, since it means there are permanently live 'mains feed' cabling runs within walls to almost every switch. Also, switched live, neutral and earth connections may become squashed inside the switch accessory box (especially the shallow ones), causing circuit faults.

With this method a twin and earth cable is run from the consumer unit to the first switch. Another is run from the first switch to the light fitting(s). Another to the next switch / light combo, and finally, a three-core and earth cable is run from the first switch to the second switch. The connections at the first switch can of course be re-configured to remove the 'choc block' on the switched live. However this requires three 1.5mm2 wires try to share a connection on the switch which might not be large enough. The first switch becomes quite busy with wires and this only gets worse if more switches are required on the same switch plate.
NOTE: Always isolate mains power at the consumer unit before starting work.